Key Features
- Column-specific design
- Base support framework
- Stainless steel construction
- Stable foundation
Base support frames specifically designed for glass columns and distillation equipment.
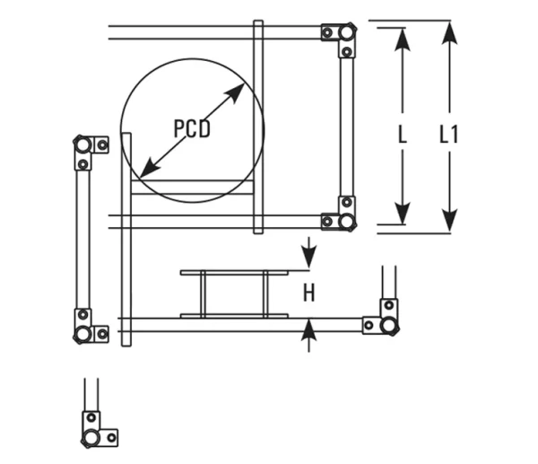
Column base support frames (catalog refs like FCSH225, FCSH300, FCSH400, FCSH450, FCSH600) are channel frames designed to serve as the fixed support foundation for vertical glass column assemblies. These frames are intended to anchor the column base to the foundation, ensuring stability and accurate alignment. They come supplied with full-threaded jacking rods and U-bolts to facilitate leveling and secure fixing to foundation bolts. These frames form the lower structural interface of the column support system, providing a rigid base that handles the column load and serves as the anchor point for the lateral bracing and frame superstructure.
**Catalogue Models & Dimensions**
| Cat. Ref. | PCD (mm) | L1 (mm) | L (mm) | H (mm) | |———–|———-|———|——–|——–| | FCSH225 | 310 | 1000 | 800 | 75 | | FCSH300 | 395 | 1000 | 800 | 75 | | FCSH400 | 495 | 1200 | 1000 | 75 | | FCSH450 | 585 | 1200 | 1000 | 100 | | FCSH600 | 710 | 1400 | 1200 | 100 |
**Features & Installation Guidance**
– Supplied with full-threaded jacking rods and U-bolts for precise leveling and adjustment during installation.
– The frame is fixed to the foundation using foundation bolts passing through the base plate or U-bolt arrangement
– After alignment, grouting is applied to distribute load and lock the frame in position.
– The base frame must interface properly with the vertical tube base fitting and the rest of the support frame
– The design must consider differential expansion, load distribution, and lateral stability from the upper structure
The column base support frames are used in scenarios such as:
– Foundation anchoring of vertical glass columns in industrial glass systems
– Base frames in distillation, absorption, or extraction column assemblies
– Providing a stable and level mounting point for the support frame above
– Allowing future adjustment or correction of column alignment using jacking rods
– Integration with lateral bracing systems and structural tube frames
