Key Features
- Double wall construction
- Temperature control jacket
- Borosilicate glass construction
- Various sizes available
Jacketed glass vessel with temperature control.
Jacketed vessels are glass or metal vessels encased in an outer shell (jacket) through which a heating or cooling fluid flows. Goel Equipments offers **jacketed vessels** in glass (for its glass reactor lineup) that support thermal control of internal media. Their glass vessels may be clad or provided with metal or glass jackets, enabling temperature maintenance, heating or cooling operations. These vessels maintain the benefits of visual inspection and chemical resistance while accommodating thermal exchange. The jacket layer can be segmented, baffled, or zoned to improve thermal uniformity and reduce hotspots.
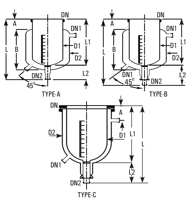
Typical features and options for jacketed vessels are:
– **Inner vessel**: Glass (borosilicate) or metal core compatible with process
– **Jacket type**: Single / double / segmented / spiral jackets
– **Jacket media**: Steam, hot/cold water, thermal oil, refrigerants
– **Capacity**: Matching base vessel sizes (e.g. 5 L to 500 L for glass line)
– **Port configuration**: Jacket inlet/outlet, drain, instrumentation
– **Design pressure**: Jacket side rated for fluid pressure; vessel side rated for process pressure or vacuum
– **Thermal control**: Zoning, baffles inside jacket for uniform flow
– **Customization**: As per drawings for flange layout, wall thickness, support frame
– **Safety aspects**: Thermal expansion relief, proper sealing, and stress design
Jacketed vessels are used when both chemical compatibility and thermal control are required. Applications include:
– Heating or cooling reaction mixtures under controlled conditions
– Gradual temperature ramping or programmed thermal profiles
– Solvent distillations where condenser or reflux heating is needed
– Crystallization or precipitation processes sensitive to thermal gradients
– Fine chemical / pharmaceutical processes requiring inert glass contact with temperature regulation
